Крот, go home!!!
Этой осенью случилась одна напасть, с которой я ещё ни разу в жизни не сталкивался - нашествие кротов. Понаделали куч на цветнике, погрызли корни у молодых кустов сирени. Коты выловили пару, но устроить геноцид колонии подземных гадов не смогли. Взятый напрокат у соседей звуковой отпугиватель показал некоторую эффективность - кроты сразу свалили на соседний участок. Но отпугиватель весьма маломощный, работает от солнечной батареи, поэтому возникла идея сделать что-то более эффективное. Поиски схем в интернете не впечатлили, хотелось бы что-то более простое и надёжное. И поэтому родилась вот такая схема:
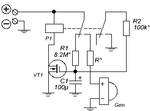
Принципиальная схема.

Несмотря на предельную простоту, устройство обеспечивает всё необходимое - с периодичностью 30 секунд (плюс-минус) включает на полторы секунды звуковой сигнал. В качестве звукового излучателя используется готовый зуммер со встроенным генератором, обеспечивающий довольно громкий звуковой сигнал и ощутимую вибрацию.
Питание на зуммер подается при помощи простейшей схемы на реле. При подаче питания на начинает заряжаться конденсатор С1 через резистор R1. По достижении некоторого определённого напряжения, открывается VT1 и срабатывает реле P1. Питание снимается с R1 и подаётся на зуммер, одновременно С1 начинает разряжаться через R2, формируя длительность звучания.
Так как примененный зуммер рассчитан на питание 5v, в схему введен резистор R, ограничивающий напряжение на нем.
Детали, наладка и конструктив..
Типы и номиналы большинства элементов есть на принципиальной схеме. Транзистор - любой N-канальный mosfet. У меня 60T03H, выдранный со старой материнки, реле - с двумя группами контактов на переключение с напряжением срабатывания 8v. Остальное некритично. Возможно применение реле и на другое напряжение, при этом номиналы резисторов придётся подбирать. Схема собрана на куске подходящего стеклотекстолита, дорожки сформированы резаком. Схему и зуммер можно закрепить на отрезке металлического уголка и вбить его в землю. Можно положить в герметичную коробку и слегка прикопать.
В качестве зуммера можно использовать подходящее реле с разрывающим питание нормальнозамкнутым контактом - тарахатит очень даже замечательно.

R1ZH © 2025